バルブの関係資料
関連用語の説明
-
カタログ番号:
標準形をご希望の場合は、カタログ番号のみで機種が決定できます。 -
調整範囲:
この調整範囲内であれば、任意の位置で設定可能です。(主に弁開き始め位置を基準とします。) -
口径:
弁部の内径です。 -
公称能力:
標準的な使用条件における称呼能力です。(kW) -
流量係数:
Cv値で表します。 -
継手形状:
フレア継手は冷凍用フレア管継手(JIS B 8607)、フランジ継手は冷凍装置用管フランジ(JIS B 8602R系)または、JIS 20Kフランジ(JIS B 2220)を主に採用しています。寸法は全て接続する相手配管基準で表しています。
銅管継手のバルブの場合、接続相手銅管の寸法は旧称呼表示を採用しています。(例1/4=6.35mm) -
作動圧力差:
弁の入口側と出口側に加わる圧力の差が、この範囲内であれば確実な開閉作動を行います。 -
最高使用圧力:
通常の使用条件下で、バルブが支障なく機能する使用可能最高圧力です。 -
気密試験圧力:
バルブとしての性能を保証できる最高の限界圧力です。 -
耐圧圧力:
最高使用圧力×1.5の圧力です。機能の保証はできませんが、外部への漏洩は防止できる最高圧力です。 -
クローズオフ・レーティング:
弁を全閉にした時、圧力差に抗して全閉を保ちうる最大許容圧力差を言います。これ以上の圧力差では使用できません。 -
流体温度:
バルブ内部に流せる流体の温度範囲です。 -
圧力表示:
ゲージ圧力値です。
配管用炭素鋼管寸法表
| 呼径 | 外径(mm) | 厚さ(mm) | |
|---|---|---|---|
| (A) | (B) | ||
| 6A 8A 10A 15A 20A 25A 32A 40A 50A 65A 80A 90A 100A 125A 150A |
1/8B 1/4B 3/8B 1/2B 3/4B 1B 1-1/4B 1-1/2B 2B 2-1/2B 3B 3-1/2B 4B 5B 6B |
10.5 13.8 17.3 21.7 27.2 34.0 42.7 48.6 60.5 76.3 89.1 101.6 114.3 139.8 165.2 |
2.0 2.3 2.3 2.8 2.8 3.2 3.5 3.5 3.8 4.2 4.2 4.2 4.5 4.5 5.0 |
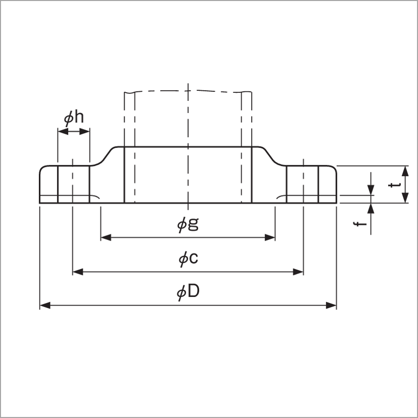
JISフランジ寸法表
| 呼径(A)\フランジ寸法(mm) | JIS 10Kフランジ(JIS B2220) | ||||||
|---|---|---|---|---|---|---|---|
| D | t | f | g | c | h | ボルト | |
| 20 25 32 40 50 65 80 (90) 100 125 150 |
100 125 135 140 155 175 185 195 210 250 280 |
14 14 16 16 16 18 18 18 18 20 22 |
1 1 2 2 2 2 2 2 2 2 2 |
56 67 76 81 96 116 126 136 151 182 212 |
75 90 100 105 120 140 150 160 175 210 240 |
15 19 19 19 19 19 19 19 19 23 23 |
M12×4 M16×4 M16×4 M16×4 M16×4 M16×4 M16×8 M16×8 M16×8 M20×8 M20×8 |
合フランジ適合表
- JIS B 8602冷媒用管フランジは冷凍保安規則上の使用温度の下限が−10℃(但し使用圧力が1.18MPa以下で使用する場合は−60℃)迄となります。これ以下でご使用の場合にはお問い合わせください。
- ZEV形等の大臣認定適合品に合フランジは付属しません。
- 合フランジを単独でご注文の場合は、下記適合表よりご指定下さい。
(例)NBV–1003EX(相手銅管の呼び5/8)の合フランジのカタログ番号はNBV–03E05Dとなります。
(合フランジ片側1枚と必要なボルト・ナット・パッキン一式がついています。)
○印……製作します。
△印……受注生産です。
●印……JIS 10Kフランジです。
銅管差し込みろう付形(角フランジ)
・JIS B 8602 冷媒用管フランジ RBKに準ずる(○印……製作します。△印……受注生産です。)
| 本体サイズ | フランジ呼び | 相手銅管呼び | NBV | SBV | HEX | RMV | REV | JEV | RSY | RSV |
|---|---|---|---|---|---|---|---|---|---|---|
| 03E | 05D | 5/8 | ○ | ○ | ||||||
| 06D | 3/4 | ○ | ○ | |||||||
| 07D | 7/8 | ○ | ○ | |||||||
| 04E | 07D | 7/8 | ○ | |||||||
| 10D | 1 | ○ | ||||||||
| 06E | 06D | 3/4 | △ | △ | △ | △ | △ | △ | ||
| 07D | 7/8 | ○ | ○ | ○ | ○ | ○ | ○ | |||
| 10D | 1 | ○ | ○ | ○ | ○ | ○ | ○ | |||
| 11D | 1-1/8 | ○ | ○ | ○ | ○ | ○ | ○ | |||
| 12D | 1-1/4 | △ | △ | △ | △ | △ | △ | |||
| 10E | 10D | 1 | ○ | ○ | ○ | ○ | ○ | ○ | ○ | |
| 11D | 1-1/8 | ○ | ○ | ○ | ○ | ○ | ○ | ○ | ||
| 12D | 1-1/4 | ○ | ○ | ○ | ○ | ○ | ○ | ○ | ||
| 13D | 1-3/8 | ○ | ○ | ○ | ○ | ○ | ○ | ○ | ||
| 14D | 1-1/2 | ○ | ○ | ○ | ○ | ○ | ○ | ○ | ||
| 12E | 12D | 1-1/4 | ○ | ○ | ○ | ○ | ○ | ○ | ○ | |
| 13D | 1-3/8 | ○ | ○ | ○ | ○ | ○ | ○ | ○ | ||
| 14D | 1-1/2 | ○ | ○ | ○ | ○ | ○ | ○ | ○ | ||
| 15D | 1-5/8 | ○ | ○ | ○ | ○ | ○ | ○ | ○ | ||
| 14E | 14D | 1-1/2 | ○ | ○ | ○ | ○ | ○ | ○ | ||
| 15D | 1-5/8 | ○ | ○ | ○ | ○ | ○ | ○ | |||
| 16D | 1-3/4 | ○ | ○ | ○ | ○ | ○ | ○ | |||
| 20D | 2 | ○ | ○ | ○ | ○ | ○ | ○ | |||
| 20E | 20D | 2 | ○ | ○ | ○ | ○ | ○ | ○ | ||
| 21D | 2-1/8 | ○ | ○ | ○ | ○ | ○ | ○ | |||
| 22D | 2-1/4 | ○ | ○ | ○ | ○ | ○ | ○ | |||
| 24D | 2-1/2 | ○ | ○ | ○ | ○ | ○ | ○ | |||
| 24E | 24D | 2-1/2 | ○ | ○ | ○ | ○ | ||||
| 25D | 2-5/8 | ○ | ○ | ○ | ○ | |||||
| 30D | 3 | ○ | ○ | ○ | ○ | |||||
| 30E | 30D | 3 | ○ | ○ | ○ | ○ | ||||
| 31D | 3-1/8 | ○ | ○ | ○ | ○ | |||||
| 34D | 3-1/2 | ○ | ○ | ○ | ○ |
銅管差し込みろう付形(丸フランジ)
・JIS B 8602 冷媒用管フランジ RBMに準ずる(○印……製作します。△印……受注生産です。)
| 本体サイズ | フランジ呼び | 相手銅管呼び | NBV | SBV | KCV |
|---|---|---|---|---|---|
| 03F | 06D | 3/4 | ○ | ○ | |
| 07D | 7/8 | ○ | ○ | ||
| 04F | 07D | 7/8 | ○ | ○ | |
| 10D | 1 | ○ | ○ | ||
| 06F | 06D | 3/4 | △ | △ | |
| 07D | 7/8 | ○ | ○ | ||
| 10D | 1 | ○ | ○ | ||
| 11D | 1-1/8 | ○ | ○ | ||
| 12D | 1-1/4 | △ | △ | ||
| 10F | 10D | 1 | ○ | ○ | |
| 11D | 1-1/8 | ○ | ○ | ||
| 12D | 1-1/4 | ○ | ○ | ||
| 13D | 1-3/8 | ○ | ○ | ||
| 14D | 1-1/2 | ○ | ○ | ||
| 12F | 12D | 1-1/4 | ○ | ○ | |
| 13D | 1-3/8 | ○ | ○ | ||
| 14D | 1-1/2 | ○ | ○ | ||
| 15D | 1-5/8 | ○ | ○ | ||
| 16D | 1-3/4 | △ | △ | ||
| 14F | 14D | 1-1/2 | ○ | ○ | |
| 15D | 1-5/8 | ○ | ○ | ||
| 16D | 1-3/4 | ○ | ○ | ||
| 20D | 2 | ○ | ○ | ||
| 20F | 20D | 2 | ○ | ○ | |
| 21D | 2-1/8 | ○ | ○ | ||
| 22D | 2-1/4 | ○ | ○ | ||
| 24D | 2-1/2 | ○ | ○ | ||
| 24F | 24D | 2-1/2 | ○ | ||
| 25D | 2-5/8 | ○ | |||
| 30D | 3 | ○ | |||
| 30F | 30D | 3 | ○ | ||
| 31D | 3-1/8 | ○ | |||
| 34D | 3-1/2 | ○ |
鋼管差し込みろう付形(角フランジ)
・JIS B 8602 冷媒用管フランジ RBKに準ずる(○印……製作します。△印……受注生産です。)
| 本体サイズ | フランジ呼び | 相手鋼管呼び | NBV | SBV | HEX | RMV | REV | JEV | RSY | RSV |
|---|---|---|---|---|---|---|---|---|---|---|
| 03E | 03K | 3/8 | ○ | ○ | ||||||
| 04K | 1/2 | ○ | ||||||||
| 04E | 04K | 1/2 | ○ | |||||||
| 06E | 06K | 3/4 | ○ | ○ | ○ | ○ | ○ | ○ | ||
| 10E | 10K | 1 | ○ | ○ | ○ | ○ | ○ | ○ | ○ | |
| 12E | 12K | 1-1/4 | ○ | ○ | ○ | ○ | ○ | ○ | ○ | |
| 12E | 14K | 1-1/2 | ○ | ○ | ○ | ○ | ○ | ○ | ○ | |
| 14E | 14K | 1-1/2 | ○ | ○ | ○ | ○ | ○ | ○ | ||
| 20E | 20K | 2 | ○ | ○ | ○ | ○ | ○ | ○ | ||
| 24E | 24K | 2-1/2 | ○ | ○ | ○ | ○ | ||||
| 30E | 30K | 3 | ○ | ○ | ○ | ○ |
鋼管差し込みろう付形(丸フランジ)
・JIS B 8602 冷媒用管フランジ RBMに準ずる(○印……製作します。△印……受注生産です。)
| 本体サイズ | フランジ呼び | 相手鋼管呼び | NBV | SBV | KCV |
|---|---|---|---|---|---|
| 06F | 06K | 3/4 | ○ | ○ | |
| 10F | 10K | 1 | ○ | ○ | |
| 12F | 12K | 1-1/4 | ○ | ○ | |
| 12F | 14K | 1-1/2 | ○ | ○ | |
| 14F | 14K | 1-1/2 | ○ | ○ | |
| 20F | 20K | 2 | ○ | ○ | |
| 24F | 24K | 2-1/2 | ○ | ||
| 30F | 30K | 3 | ○ |
鋼管差し込み溶接形(角フランジ)
(○印……製作します。△印……受注生産です。)
| 本体サイズ | フランジ呼び | 相手鋼管呼び | NBV | SBV | HEX | RMV | REV | JEV | RSY | RSV |
|---|---|---|---|---|---|---|---|---|---|---|
| 06E | 06S | 3/4 | ○ | ○ | ○ | ○ | ○ | ○ | ||
| 10E | 10S | 1 | ○ | ○ | ○ | ○ | ○ | ○ | ○ | |
| 12E | 12S | 1-1/4 | ○ | ○ | ○ | ○ | ○ | ○ | ○ | |
| 12E | 14S | 1-1/2 | ○ | ○ | ○ | ○ | ○ | ○ | ○ | |
| 14E | 14S | 1-1/2 | ○ | ○ | ○ | ○ | ○ | ○ | ||
| 20E | 20S | 2 | ○ | ○ | ○ | ○ | ○ | ○ | ||
| 24E | 24S | 2-1/2 | ○ | ○ | ○ | ○ | ||||
| 30E | 30S | 3 | ○ | ○ | ○ | ○ |
鋼管差し込み溶接形(丸フランジ)
(●印……JIS 10Kフランジです。)
| 本体サイズ | フランジ呼び | 相手鋼管呼び | AWR | OWR | GWR | MWR | HWR |
|---|---|---|---|---|---|---|---|
| 06F | 06S | 3/4 | |||||
| 10F | 10S | 1 | |||||
| 12F | 12S | 1-1/4 | |||||
| 12F | 14S | 1-1/2 | |||||
| 14F | 14S | 1-1/2 | ● | ● | ● | ● | ● |
| 20F | 20S | 2 | ● | ● | ● | ● | ● |
| 24F | 24S | 2-1/2 | ● | ● | ● | ● | ● |
| 30F | 30S | 3 |
鋼管ねじ込み形(角フランジ)
(○印……製作します。△印……受注生産です。)
| 本体サイズ | フランジ呼び | 相手鋼管呼び | NBV | SBV | HEX | RMV | REV | JEV | RSY | RSV |
|---|---|---|---|---|---|---|---|---|---|---|
| 06E | 06G | 3/4 | ○ | ○ | ○ | ○ | ○ | ○ | ||
| 10E | 10G | 1 | ○ | ○ | ○ | ○ | ○ | ○ | ○ | |
| 12E | 12G | 1-1/4 | ○ | ○ | ○ | ○ | ○ | ○ | ○ | |
| 12E | 14G | 1-1/2 | ○ | ○ | ○ | ○ | ○ | ○ | ○ | |
| 14E | 14G | 1-1/2 | ○ | ○ | ○ | ○ | ○ | ○ | ||
| 20E | 20G | 2 | ○ | ○ | ○ | ○ | ○ | ○ | ||
| 24E | 24G | 2-1/2 | ○ | ○ | ○ | ○ | ||||
| 30E | 30G | 3 | ○ | ○ | ○ | ○ |
鋼管ねじ込み形(丸フランジ)
(●印……JIS 10Kフランジです。)
| 本体サイズ | フランジ呼び | 相手鋼管呼び | AWR | OWR | GWR | MWR | HWR |
|---|---|---|---|---|---|---|---|
| 06F | 06G | 3/4 | |||||
| 10F | 10G | 1 | |||||
| 12F | 12G | 1-1/4 | |||||
| 12F | 14G | 1-1/2 | |||||
| 14F | 14G | 1-1/2 | ● | ● | ● | ● | ● |
| 20F | 20G | 2 | ● | ● | ● | ● | ● |
| 24F | 24G | 2-1/2 | ● | ● | ● | ● | ● |
| 30F | 30G | 3 |