関連用語の説明
- カタログ番号:
標準形をご希望の場合は、カタログ番号のみで機種が決定できます。
- 口径:
弁部の内径です。
- 公称能力:
標準的な使用条件における称呼能力です。(kW)
- 流量係数:
Cv値で表します。
- 継手形状:
フレア継手は冷凍用フレア管継手(JIS B 8607)、フランジ継手は冷凍装置用管フランジ(JIS B 8602R系)または、JIS 20Kフランジ(JIS B 2220)を主に採用しています。
寸法は全て接続する相手配管基準で表しています。
- 継手(銅管ろう付け):
・ODF(Outside Diameter Female):「呼び」は接続する配管の外径寸法です。配管をバルブの継手に差し込んで接続ください。
・ODM(Outside Diameter Male):「呼び」はバルブの継手外径寸法です。拡管等の配管をバルブの継手に被せて接続ください。
- 作動圧力差:
弁の入口側と出口側に加わる圧力の差が、この範囲内であれば確実な開閉作動を行います。
- 最高使用圧力:
通常の使用条件下で、バルブが支障なく機能する使用可能最高圧力です。
- 耐圧圧力:
最高使用圧力×1.5の圧力です。機能の保証はできませんが、外部への漏洩は防止できる最高圧力です。
- 流体温度:
バルブ内部に流せる流体の温度範囲です。
- 圧力表示:
ゲージ圧力値です。
配管用炭素鋼管寸法表
| 呼径 |
外径(mm) |
厚さ(mm) |
| (A) |
(B) |
| 6A |
1/8B |
10.5 |
2.0 |
| 8A |
1/4B |
13.8 |
2.3 |
| 10A |
3/8B |
17.3 |
2.3 |
| 15A |
1/2B |
21.7 |
2.8 |
| 20A |
3/4B |
27.2 |
2.8 |
| 25A |
1B |
34.0 |
3.2 |
| 32A |
1-1/4B |
42.7 |
3.5 |
| 40A |
1-1/2B |
48.6 |
3.5 |
| 50A |
2B |
60.5 |
3.8 |
| 65A |
2-1/2B |
76.3 |
4.2 |
| 80A |
3B |
89.1 |
4.2 |
| 90A |
3-1/2B |
101.6 |
4.2 |
| 100A |
4B |
114.3 |
4.5 |
| 125A |
5B |
139.8 |
4.5 |
| 150A |
6B |
165.2 |
5.0 |
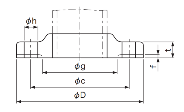
JIS フランジ寸法表
| 呼径 (A)\フランジ寸法 (mm) |
JIS 10K フランジ (JIS B2220) |
| D |
t |
f |
g |
c |
h |
ボルト |
| 20 |
100 |
14 |
1 |
56 |
75 |
15 |
M12×4 |
| 25 |
125 |
14
|
1 |
67 |
90 |
19 |
M16×4 |
| 32 |
135 |
16 |
2 |
76 |
100 |
19 |
M16×4 |
| 40
|
140 |
16 |
2 |
81 |
105 |
19 |
M16×4 |
| 50 |
155 |
16 |
2 |
96 |
120 |
19 |
M16×4 |
| 65 |
175 |
18 |
2 |
116 |
140 |
19 |
M16×4 |
| 80
|
185 |
18 |
2 |
126 |
150 |
19 |
M16×8 |
| (90) |
195 |
18 |
2 |
136 |
160 |
19
|
M16×8 |
| 100 |
210 |
18 |
2 |
151 |
175 |
19 |
M16×8 |
| 125 |
250 |
20 |
2 |
182 |
210 |
23 |
M20×8 |
| 150 |
280 |
22 |
2 |
212 |
240 |
23 |
M20×8 |